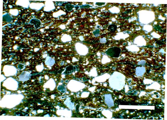
LIL-A-2, M 154/94, scale bar 0.5mm
LIL-A-2, M 154/94, 25x
LIL-A-2, M 154/94, 16x
LIL-A-2, M 154/94, 8x
| object data | fabric description | archaeometry | petrography |
| sample no | M 154/94 |
|---|---|
| fabric type | LIL-A-2 |
| supposed site of production | Lilibeo / Lilybaion |
| sample taken | 2013, by Adorno, Deutsches Archäologisches Institut, Abteilung Rom |
Context Data |
|
| site of discovery |
Selinunte / Selinus Akropolis, pun. Ladenstoa |
| interpretation of context | public |
| registration code of context | saggio B2, 2000, US 26 |
| registration code of object | saggio B2, 2000, US 26, SL 24007 |
| chronology of context | 270-250 B.C.E. |
Object |
|
| ware | Transport Amphorae |
| object form | Amphora |
| object type | Ramon T-4.2.1.5 |
| chronology of object |
Punic-Late Punic 300-250 B.C.E. |
| fragmentation | rim |
| dimensions | diameter: 17.4cm (rim) |
| drawing |
|
| publication | Helas 2011, 346, pl. 46,2. |
Cite this page as: FACEM - http://facem.at/m-154-94


production
discovery
