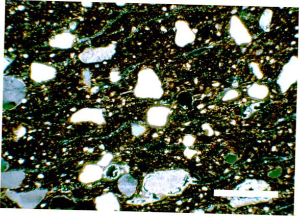
LIL-A-2, M 154/70, scale bar 0.5mm
LIL-A-2, M 154/70, 25x
LIL-A-2, M 154/70, 16x
LIL-A-2, M 154/70, 8x
| object data | fabric description | archaeometry | petrography |
| sample no | M 154/70 |
|---|---|
| fabric type | LIL-A-2 |
| supposed site of production | Lilibeo / Lilybaion |
| sample taken | 2011, by Babette Bechtold, Institute of Fine Arts, New York University |
Context Data |
|
| site of discovery |
Selinunte / Selinus Temple B |
| interpretation of context | sacred |
| registration code of context | Saggio H, US 3B |
| registration code of object | H, US 3B, P09.94 |
| chronology of context | 310-290 B.C.E. |
Object |
|
| ware | Transport Amphorae |
| object form | Amphora |
| object type | Ramon T-2.2.1.2 |
| chronology of object |
Punic-Middle Punic 390-330 B.C.E. |
| fragmentation | rim |
| dimensions | diameter: 12cm (rim) |
| drawing |
|
| publication | Bechtold 2015f, fig. 2,2. |
Cite this page as: FACEM - http://facem.at/m-154-70


production
discovery
