FACEM
Provenance Studies on Ancient Pottery in the Mediterranean
AKR-C-1, M 209/6, scale bar 0.2mm
AKR-C-1, M 209/6, scale bar 0.5mm
AKR-C-1, M 209/6, 25x
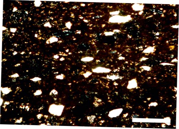
AKR-C-1, M 209/6, 16x
AKR-C-1, M 209/6, 8x
| | object data | | fabric description | | archaeometry | | petrography | | |
| sample no |
M 209/6 |
| fabric type |
AKR-C-1
|
| supposed site of production |
Agrigento / Akragas |
| sample taken |
May 2018, by Babette Bechtold, Institute of Classical Archaeology, Vienna University |
| |
Context Data
|
| site of discovery |
Agrigento / Akragas Area a Sud del Tempio di Zeus |
| registration code of context |
AG13/337 |
| registration code of object |
AG/337/5 |
| chronology of context |
late 5th- 4th c. BCE |
| |
Object
|
| ware |
Coarse Wares |
| object form |
Hydria |
| chronology of object |
Greek 4th c. BC |
| fragmentation |
rim, neck |
| dimensions |
diameter: 16cm (rim); height: 9cm |
| surface description |
pale brown 2.5 Y 8/2 |
| drawing |
|
| | object data | | fabric description | | archaeometry | | petrography | | |
| |
Visual Examination of Fresh Break
|
| visual examination of fresh break |
reddish-pinkish clay with sporadic visible inclusions of whitish and reddish colour |
| colour of fresh break |
7.5 YR 7/6 (edge); 7.5 YR 8/4 (heart) |
| texture of fresh break |
fine |
| hardness |
hard |
| |
Observation Under the Binocular Stereoscope
(all lengths in mm)
|
| porosity |
void form: channel;vughy; void length: 0.08-0.52 |
| inclusions |
length: 0.04-0.71 |
| sorting |
unsorted |
| |
Inclusions
(all lengths in mm)
|
|
black inclusions |
singular, well rounded, spherical, black, 0.04-0.08 |
|
black iron oxide concretions |
singular, subangular, elongate, black, 0.36 |
|
calciumcarbonate |
infrequent, rounded;well rounded, subspherical;very spherical, white, 0.08-0.28 |
|
carbonate pseudomorphoses |
frequent, subrounded, spherical;very spherical, white/yellowish, 0.04-0.20-24 |
|
mica |
infrequent |
|
more inclusions2 |
frequent, rounded, very spherical, orange, 0.08-12 |
|
quartz |
infrequent, subrounded, subspherical, Greyidh/whitish/transparent, 0.04-0.12 |
|
red iron oxide concretions |
infrequent, subangular;subrounded, elongate;subelongate;subspherical, dark red, 0.08-0.20; 0.79 (singular) |
| | object data | | fabric description | | archaeometry | | petrography | | |
| applied method for sample analysis |
thin section, chemical analysis |
| analysis author |
Montana/Randazzo |
| publication (of analysis) |
Montana et al. 2022, 2, tab. 1. |
| | object data | | fabric description | | archaeometry | | petrography | | |
| sample number |
M 209/6 |
| inventory number |
AG/337/5 |
| name of author |
Giuseppe Montana - Luciana Randazzo |
| institution of author |
Department of Earth and Marine Sciences (DiSTeM) - University of Palermo |
| contact information of author |
giuseppe.montana@unipa.it; luciana.randazzo@unipa.it |
| |
Temper Grains
|
| |
Microstructure
|
| areal distribution |
moderately homogeneous |
| packing (% area) |
medium (10-20%) |
| size/granulometry (mm) |
prevalent:
very fine (0.04-0.1mm)
common:
fine (0.1-0.2mm)
rare:
medium (0.2-0.5mm)
|
| maximum grain size (mm) |
0.4 |
| sorting |
scarce-serial |
| roundness |
angular |
| |
Composition
|
| minerals |
prevalent: Monocrystalline Quartz
sporadic: Polycrystalline Quartz, Muscovite
rare: Orthoclase, Plagioclase, Accessory & Heavy Minerals (Glauconite, Iron oxides)
|
| other compositional/textural features |
common: Microfossils, Micritic Clots
|
| quartz grains |
angular |
| |
Groundmass
|
| |
Texture
|
| texture |
moderately homogeneous patchy: sporadic |
| optical activity |
inactive |
| degree of sintering |
well sintered |
| |
Porosity
|
| voids/pores abundance (area) |
medium (10-30%) |
| voids/pores size |
prevalent: small (0.01-0.1mm), medium (0.1-1mm)
|
| voids/pores orientation |
none |
| voids/pores shape |
prevalent: irregular, rounded, cast
|
| |
Newly Formed Phases
|
| newly formed phases |
prevalent: secondary calcite
|
| |
Clay Composition
|
| clay composition |
ca-rich |
| |
Estimations from Microscopy/Interpretation
|
| |
Interpretation
|
| firing temperature |
well fired |
| refinement of raw clay |
acceptable |
| refinement of temper/clasts |
sieved natural sand |
| modelling technique/fabrication |
use of wheel |
Cite this page as: FACEM - http://facem.at/m-209-6