FACEM
Provenance Studies on Ancient Pottery in the Mediterranean
| | object data | | fabric description | | archaeometry | | petrography | | |
| sample no |
M 208/44 |
| fabric type |
AKR-A-1
|
| supposed site of production |
Agrigento / Akragas |
| sample taken |
October 2019, by Babette Bechtold, Institute of Classical Archaeology, Vienna University |
| |
Context Data
|
| site of discovery |
Agrigento / Akragas Quartiere artigianale Porta V |
| interpretation of context |
production |
| registration code of context |
QAV 19.1 |
| registration code of object |
QAV 19.1.62 |
| chronology of context |
late 6th-early 5th c. BCE |
| |
Object
|
| ware |
Transport Amphorae |
| object form |
Amphora |
| object type |
Western Greek, Gassner rim 3 |
| chronology of object |
Greek-Late Archaic late 6th-early 5th c. BC |
| fragmentation |
rim |
| dimensions |
diameter: 12.8cm (rim); height: 6cm |
| surface description |
slipped Pale yellow 2.5 Y 7/4 |
| drawing |
|
| | object data | | fabric description | | archaeometry | | petrography | | |
| |
Visual Examination of Fresh Break
|
| visual examination of fresh break |
Greenish-light grey clay, hard, compact, very fine and depurated with visible voids of small and medium size but no visible inclusions |
| colour of fresh break |
2.5 Y 7/2 |
| texture of fresh break |
fine |
| hardness |
hard |
| |
Observation Under the Binocular Stereoscope
(all lengths in mm)
|
| porosity |
void form: holes;channel (infrequent); void length: 0.02-0.48 (channel lenght) |
| inclusions |
length: 0.02-04-0.36; 1.19 (singular) |
| sorting |
well sorted silt |
| |
Inclusions
(all lengths in mm)
|
|
black iron oxide concretions |
sporadic, angulare;subangular, very elongate;subspherical, black, 0.12-16-1.19 (lenght) |
|
calciumcarbonate |
infrequent, subrounded, subspherical;spherical, whitish, 0.04-0.12 |
|
carbonate pseudomorphoses |
very frequent, subrounded;rounded, subelongate;subspherical;very spherical, white-yellowish, 0.03-04-0.32-36 |
|
mica |
rare |
|
quartz |
infrequent, subrounded, subspherical, whtiish-transparent, 0.12-0.28 |
|
reddish inclusions |
sporadic, subangular, subspherical;spherical, Dark red to orangish, 0.12-0.36 |
| | object data | | fabric description | | archaeometry | | petrography | | |
| applied method for sample analysis |
thin section |
| analysis author |
Montana/Randazzo |
| publication (of analysis) |
Montana et al. 2022, 2, tab. 1. |
| | object data | | fabric description | | archaeometry | | petrography | | |
| sample number |
M 208/44 |
| inventory number |
QAV 19.1.62 |
| name of author |
Giuseppe Montana - Luciana Randazzo |
| institution of author |
Department of Earth and Marine Sciences (DiSTeM) - University of Palermo |
| contact information of author |
giuseppe.montana@unipa.it; luciana.randazzo@unipa.it |
| |
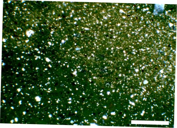
Temper Grains
|
| |
Microstructure
|
| areal distribution |
moderately homogeneous |
| packing (% area) |
medium (10-20%) |
| size/granulometry (mm) |
prevalent:
very fine (0.04-0.1mm)
sporadic:
fine (0.1-0.2mm)
rare:
medium (0.2-0.5mm)
|
| maximum grain size (mm) |
0.3 |
| sorting |
scarce-serial |
| roundness |
angular |
| |
Composition
|
| minerals |
prevalent: Monocrystalline Quartz
sporadic: Polycrystalline Quartz, Orthoclase
rare: Plagioclase, Muscovite, Accessory & Heavy Minerals (Iron oxides)
|
| other compositional/textural features |
common: Microfossils, Micritic Clots
|
| quartz grains |
angular |
| |
Groundmass
|
| |
Texture
|
| texture |
moderately homogeneous patchy: sporadic |
| optical activity |
inactive |
| degree of sintering |
well sintered |
| |
Porosity
|
| voids/pores abundance (area) |
low (<10%) |
| voids/pores size |
prevalent: small (0.01-0.1mm), medium (0.1-1mm)
|
| voids/pores orientation |
none |
| voids/pores shape |
prevalent: irregular, rounded, cast
rare: channels
|
| |
Newly Formed Phases
|
| newly formed phases |
sporadic: secondary calcite
|
| |
Clay Composition
|
| clay composition |
ca-rich |
| |
Estimations from Microscopy/Interpretation
|
| |
Interpretation
|
| firing temperature |
well fired |
| refinement of raw clay |
acceptable |
| refinement of temper/clasts |
sieved natural sand |
| modelling technique/fabrication |
use of wheel |
Cite this page as: FACEM - http://facem.at/m-208-44