FACEM
Provenance Studies on Ancient Pottery in the Mediterranean
| | object data | | fabric description | | archaeometry | | petrography | | |
| sample no |
M 165/28 |
| fabric type |
LIL-A-1
|
| supposed site of production |
Lilibeo / Lilybaion |
| sample taken |
1994, by Babette Bechtold, Soprintendenza BB.CC.AA Trapani |
| |
Context Data
|
| site of discovery |
Segesta Porta di Valle (SAS 7) |
| registration code of context |
SG 93 SAS 7, US 5715 |
| registration code of object |
SG 5715-1 |
| chronology of context |
100-50 B.C.E. |
| |
Object
|
| ware |
Transport Amphorae |
| object form |
Amphora |
| object type |
Ramon T-7.5.3.2/7.6.2.1? |
| chronology of object |
Punic-Late Punic 130-1 B.C.E. |
| fragmentation |
rim |
| dimensions |
diameter: 18.6cm (rim) |
| drawing |
|
| publication |
Bechtold 2008a, 566, cat. 38 |
| | object data | | fabric description | | archaeometry | | petrography | | |
| |
Visual Examination of Fresh Break
|
| visual examination of fresh break |
colour red, peripheral areas grey, coarse texture, numerous small to large inclusions: white, voids |
| colour of fresh break |
light red 10 R 6/8 and reddish gray 10 R 5/1 |
| texture of fresh break |
irregular |
| hardness |
hard |
| |
Observation Under the Binocular Stereoscope
(all lengths in mm)
|
| porosity |
7.5%; void form: vughy, channel; void length: 0.04 (vughy), 0.06 (channel)-4.0 (vughy), 2.8 (channel) |
| inclusions |
30%, length: <0.04-1.0 |
| sorting |
bimodal: poorly-sorted sand in well-sorted silt |
| |
Inclusions
(all lengths in mm)
|
|
black inclusions |
infrequent, rounded, very spherical - subspherical, black, <0.04-0.24 |
|
calciumcarbonate |
riddled with, rounded, very spherical - subspherical, elongate, white, yellowish white, <0.04-0.8 |
|
carbonate pseudomorphoses |
very frequent, rounded, very spherical - subspherical, subelongate, white, 0.04-1.0 |
|
mica |
infrequent, spherical, white, <0.04 |
|
quartz |
very frequent, well rounded - subrounded, subangular, very spherical - subspherical, grey, clear, reddish brown, 0.04-0.4 |
| | object data | | fabric description | | archaeometry | | petrography | | |
| analysis author |
Giuseppe Montana |
| | object data | | fabric description | | archaeometry | | petrography | | |
| sample number |
M 165/28 |
| inventory number |
SG 93 SAS 7, US 5715-1 |
| name of author |
Giuseppe Montana - Luciana Randazzo |
| institution of author |
Department of Earth and Marine Sciences (DiSTeM) - University of Palermo |
| contact information of author |
giuseppe.montana@unipa.it; luciana.randazzo@unipa.it |
| |
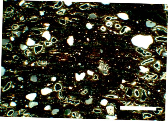
Temper Grains
|
| |
Microstructure
|
| areal distribution |
homogeneous |
| packing (% area) |
high (20-30%) |
| size/granulometry (mm) |
prevalent:
fine (0.1-0.2mm)
sporadic:
medium (0.2-0.5mm)
|
| maximum grain size (mm) |
0.3 mm |
| sorting |
scarce-bimodal |
| roundness |
rounded |
| |
Composition
|
| minerals |
prevalent: Monocrystalline Quartz
common: Polycrystalline Quartz
sporadic: Orthoclase, Plagioclase
|
| rock fragments |
common: Sedimentary (Sandstone)
|
| other compositional/textural features |
common: Microfossils (Bivalves, Benthic Foraminifera), Micritic Clots
|
| quartz grains |
rounded |
| |
Groundmass
|
| |
Texture
|
| texture |
moderately homogeneous patchy: rare |
| optical activity |
inactive |
| color (plane polarized light) |
brownish |
| degree of sintering |
well sintered |
| |
Porosity
|
| voids/pores abundance (area) |
low (<10%) |
| voids/pores size |
prevalent: large (>1mm)
|
| voids/pores orientation |
partial |
| voids/pores shape |
prevalent: irregular, cast
|
| |
Newly Formed Phases
|
| newly formed phases |
common: secondary calcite
|
| |
Clay Composition
|
| clay composition |
ca-rich |
| |
Estimations from Microscopy/Interpretation
|
| |
Interpretation
|
| firing temperature |
well fired |
| refinement of raw clay |
acceptable |
| refinement of temper/clasts |
sieved natural sand |
| modelling technique/fabrication |
use of wheel |
Cite this page as: FACEM - http://facem.at/m-165-28