| |
Visual Examination of Fresh Break
|
| visual examination of fresh break |
colour greyish brown, coarse texture, numerous small to large inclusions: white, yellowish white, red, voids |
| colour of fresh break |
dark reddish grey 2.5 YR 3/1 |
| texture of fresh break |
irregular |
| hardness |
hard |
| |
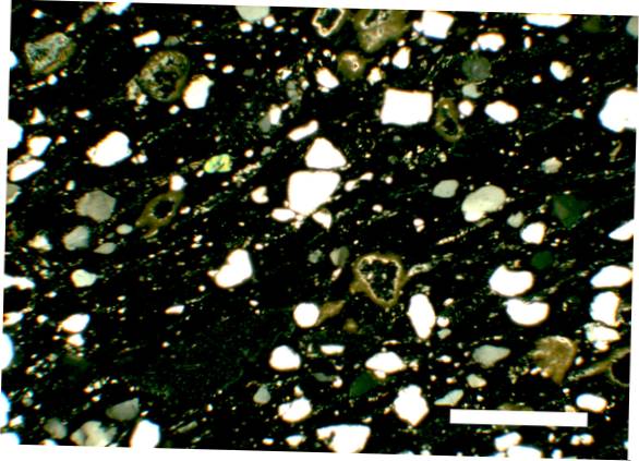
Observation Under the Binocular Stereoscope
(all lengths in mm)
|
| porosity |
7.5%; void form: vughy, channel; void length: 0.04 (vughy), 0.08 (channel)-1.6 (vughy), 0.4 (channel) |
| inclusions |
30%, length: <0.04-2.4 |
| sorting |
bimodal: poorly-sorted sand in well-sorted silt |
| |
Inclusions
(all lengths in mm)
|
|
black inclusions |
infrequent, well rounded - rounded, very spherical - subspherical, black, 0.06-0.16 |
|
calciumcarbonate |
frequent, rounded, very spherical - subspherical, elongate, subelongate, white, yellowish white, <0.4-1.2 |
|
carbonate pseudomorphoses |
very frequent, rounded - subrounded, very spherical - subspherical, subelongate, white, yellowish white, 0.04-1.4 |
|
mica |
infrequent, spherical, elongate, white, <0.04-0.04 |
|
quartz |
very frequent, well rounded - rounded, subangular, very spherical - subspherical, clear, grey, 0.08-0.48 |
|
reddish inclusions |
frequent, rounded, very spherical - subspherical, subelongate, red, 0.06-2.4 |