FACEM
Provenance Studies on Ancient Pottery in the Mediterranean
SEL-A-4, M 119/142, scale bar 0.2mm
SEL-A-4, M 119/142, scale bar 0.5mm
SEL-A-4, M 119/142, 25x
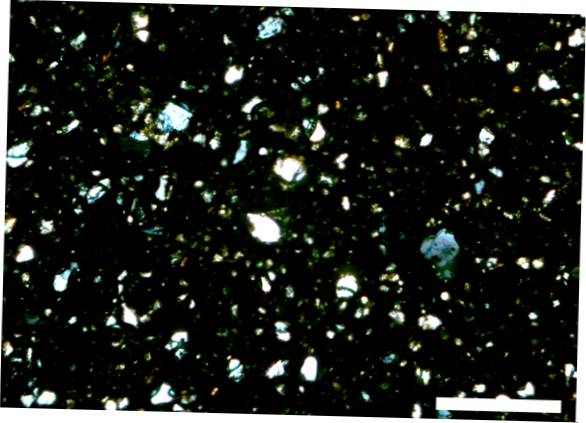
SEL-A-4, M 119/142, 16x
SEL-A-4, M 119/142, 8x
| | object data | | fabric description | | archaeometry | | petrography | | |
| sample no |
M 119/142 |
| fabric type |
SEL-A-4
|
| supposed site of production |
Selinunte / Selinus |
| sample taken |
July 2009, by Babette Bechtold, Institute of Classical Archaeology, University of Tübingen |
| |
Context Data
|
| site of discovery |
Pantelleria Survey |
| interpretation of context |
domestic |
| registration code of context |
ACR RIC 04 UT 130 |
| registration code of object |
UT 130.1-2 |
| |
Object
|
| ware |
Transport Amphorae |
| object form |
Amphora |
| object type |
Western Greek, Gassner rim 2 |
| chronology of object |
Greek-Late Archaic 520-490 BC |
| fragmentation |
rim |
| dimensions |
diameter: 10cm (rim); height: 4cm |
| surface description |
slipped Very pale brown 10 YR 8/2 |
| drawing |
|
| publication |
Bechtold 2013a, 488, pl. 104 |
| | object data | | fabric description | | archaeometry | | petrography | | |
| |
Visual Examination of Fresh Break
|
| visual examination of fresh break |
Brownish clay, compact and fine with very few visible inclusions of white colour and of small size |
| colour of fresh break |
7.5 YR 6/4 |
| texture of fresh break |
fine |
| hardness |
hard |
| |
Observation Under the Binocular Stereoscope
(all lengths in mm)
|
| porosity |
void form: vughy; void length: 0.03-04-0.20-44 |
| inclusions |
length: 0.04-0.20; 0.56 (singular) |
| sorting |
poorly sorted silt |
| |
Inclusions
(all lengths in mm)
|
|
black inclusions |
rare, subrounded, spherical, black, 0.04-08 |
|
calciumcarbonate |
infrequent, subrounded, spherical, white/yellowish, 0.08-0.16-20 |
|
carbonate pseudomorphoses |
very frequent, subrounded;rounded;well rounded, ovoidal;very elongate;very spherical, white/yellowish, 0.03-04-0.36; 0.56 (singular) |
|
mica |
infrequent |
|
quartz |
sporadic, rounded, very spherical, greyish/transparent, 0.08-0.16 |
|
reddish inclusions |
sporadic, subangular;subrounded, subspherical;very spherical, reddish brown;reddish brown, 0.12-0.44 |
| | object data | | fabric description | | archaeometry | | petrography | | |
| applied method for sample analysis |
thin section |
| analysis author |
Montana/Randazzo |
| | object data | | fabric description | | archaeometry | | petrography | | |
| sample number |
M 119/142 |
| inventory number |
ACR RIC 04 UT 130.1-2 |
| name of author |
Giuseppe Montana - Luciana Randazzo |
| institution of author |
Department of Earth and Marine Sciences (DiSTeM) - University of Palermo |
| contact information of author |
giuseppe.montana@unipa.it; luciana.randazzo@unipa.it |
| |
Temper Grains
|
| |
Microstructure
|
| areal distribution |
homogeneous |
| packing (% area) |
low (3-10%) |
| size/granulometry (mm) |
prevalent:
very fine (0.04-0.1mm)
common:
fine (0.1-0.2mm)
sporadic:
medium (0.2-0.5mm)
|
| maximum grain size (mm) |
0.15 |
| sorting |
scarce-serial |
| roundness |
angular |
| |
Composition
|
| minerals |
prevalent: Monocrystalline Quartz
sporadic: Polycrystalline Quartz, Orthoclase, Plagioclase, Muscovite
rare: Accessory & Heavy Minerals (Iron oxides)
|
| rock fragments |
rare: Sedimentary (Chert)
|
| other compositional/textural features |
common: Microfossils, Micritic Clots
|
| quartz grains |
angular |
| |
Groundmass
|
| |
Texture
|
| texture |
homogeneous patchy: rare |
| optical activity |
inactive |
| degree of sintering |
well sintered |
| |
Porosity
|
| voids/pores abundance (area) |
low (<10%) |
| voids/pores size |
prevalent: tiny (<0.01mm), small (0.01-0.1mm), medium (0.1-1mm)
|
| voids/pores orientation |
none |
| voids/pores shape |
prevalent: irregular, rounded, cast
|
| |
Clay Composition
|
| clay composition |
ca-rich |
| |
Estimations from Microscopy/Interpretation
|
| |
Interpretation
|
| firing temperature |
well fired |
| refinement of raw clay |
good |
| refinement of temper/clasts |
sieved natural sand |
| modelling technique/fabrication |
use of wheel |
Cite this page as: FACEM - http://facem.at/m-119-142