FACEM
Provenance Studies on Ancient Pottery in the Mediterranean
| | object data | | fabric description | | archaeometry | | petrography | | |
| sample no |
M 8/10
representative sample for VEL-CBM-1 |
| fabric type |
VEL-CBM-1
|
| supposed site of production |
Velia / Elea |
| sample taken |
November 1993, by Verena Gassner, Institute of Classical Archaeology, Vienna University |
| |
Context Data
|
| site of discovery |
Velia / Elea Late Archaic mudbrick houses beneath Insula II |
| registration code of context |
5/92 |
| registration code of object |
5/92 |
| |
Object
|
| ware |
Ceramic Building Materials |
| object form |
Tile |
| fragmentation |
fragmentation not specified |
| surface description |
wiped |
| | object data | | fabric description | | archaeometry | | petrography | | |
| |
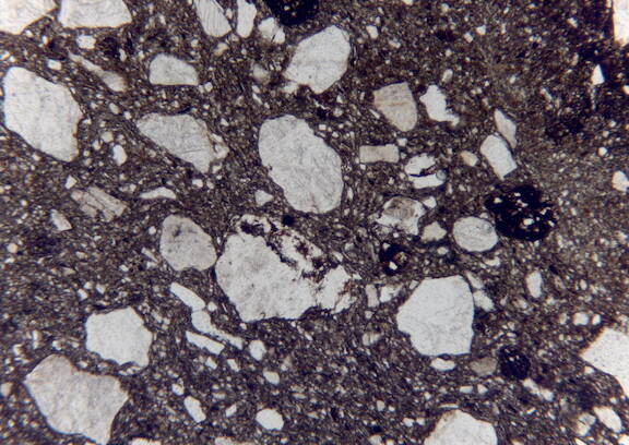
Visual Examination of Fresh Break
|
| visual examination of fresh break |
light red, irregular; small to very large white particles, sporadic red and dark inclusions |
| colour of fresh break |
2.5YR6/8 |
| texture of fresh break |
irregular |
| hardness |
hard |
| |
Observation Under the Binocular Stereoscope
(all lengths in mm)
|
| porosity |
7.5%; void form: vughy; void length: 0.04-0.5 |
| inclusions |
20%, length: 0.04-2.5 |
| sorting |
unsorted |
| |
Inclusions
(all lengths in mm)
|
|
black inclusions |
infrequent, angular, spherical, black |
|
grey inclusions |
infrequent, angular, spherical - subspherical, grey, 0.2-0.6 |
|
mica |
infrequent, angular, spherical, white, 0.04 |
|
quartz |
very frequent, angular, spherical - subelongate, clear; white, 0.04-2.5 |
|
red iron oxide concretions |
infrequent, rounded, spherical - subspherical, rusty brown, 0.4-1 |
|
white inclusions |
infrequent, rounded, subspherical, white, 0.4-0.6 |
| | object data | | fabric description | | archaeometry | | petrography | | |
| applied method for sample analysis |
thin section and heavy mineral analysis |
| analysis author |
Roman Sauer |
| petrographic mineralogical type |
RVZ01A |
| | object data | | fabric description | | archaeometry | | petrography | | |
| sample number |
M 8/10 |
| name of author |
Roman Sauer |
| institution of author |
University of Applied Arts Vienna, Department of Archaeometry |
Cite this page as: FACEM - http://facem.at/vel-cbm-1