FACEM
Provenance Studies on Ancient Pottery in the Mediterranean
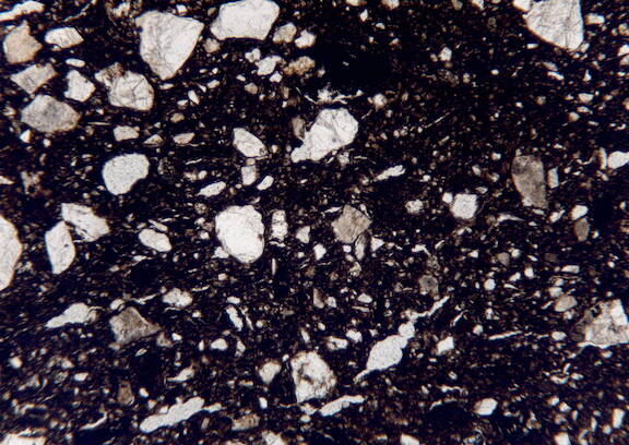
VEL-A-6, M 10/2, scale bar 0.15mm
VEL-A-6, M 10/2, scale bar 0.3mm
VEL-A-6, M 10/2, 25x
VEL-A-6, M 10/2, 16x
VEL-A-6, M 10/2, 8x
| | object data | | fabric description | | archaeometry | | petrography | | |
| sample no |
M 10/2
representative sample for VEL-A-6 |
| fabric type |
VEL-A-6
|
| supposed site of production |
Velia / Elea |
| sample taken |
June 29,1992, by Hannah Liko, Institute of Classical Archaeology, Vienna University |
| |
Context Data
|
| site of discovery |
Velia / Elea Insula II, room 10, ditch for the foundation |
| registration code of context |
324/92 |
| registration code of object |
324/92-4 |
| chronology of context |
residual in Roman context |
| |
Object
|
| ware |
Transport Amphorae |
| object form |
Amphora |
| object type |
MGS III/IV |
| chronology of object |
Greek-Classic |
| fragmentation |
rim |
| dimensions |
diameter: 14cm (rim) |
| surface description |
coarse light red, 2.5YR6/6 |
| drawing |
|
| publication |
Gassner et al. 2014, 241 |
| | object data | | fabric description | | archaeometry | | petrography | | |
| |
Visual Examination of Fresh Break
|
| visual examination of fresh break |
red, numerous fine, few large white inclusions (quartz), few fine to large reddish brown and dark brown inclusions |
| colour of fresh break |
2.5YR5/8 |
| texture of fresh break |
granular |
| hardness |
hard |
| |
Observation Under the Binocular Stereoscope
(all lengths in mm)
|
| porosity |
3%; void form: vughy; void length: 0.08-0.24 |
| inclusions |
5%, length: 0.16-0.8 |
| sorting |
poorly sorted silt |
| |
Inclusions
(all lengths in mm)
|
|
black inclusions |
singular, rounded, spherical, black |
|
mica |
singular |
|
quartz |
frequent, angular, subelongate, clear;white, 0.16-0.8 |
| | object data | | fabric description | | archaeometry | | petrography | | |
| applied method for sample analysis |
thin section and heavy mineral analysis |
| analysis author |
Roman Sauer |
| publication (of analysis) |
Gassner et al. 2014, 248-51 |
| petrographic mineralogical type |
RVA001a |
| | object data | | fabric description | | archaeometry | | petrography | | |
| sample number |
M 10/2 |
| name of author |
Roman Sauer |
| institution of author |
University of Applied Arts Vienna, Department of Archaeometry |
Cite this page as: FACEM - http://facem.at/vel-a-6