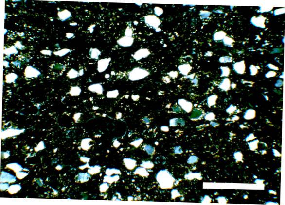
LIL-C-1, M 186/2, scale bar 0.5mm
LIL-C-1, M 186/2, 25x
LIL-C-1, M 186/2, 16x
LIL-C-1, M 186/2, 8x
| object data | fabric description | archaeometry | petrography |
| sample no | M 186/2 |
|---|---|
| fabric type | LIL-C-1 |
| supposed site of production | Lilibeo / Lilybaion |
| sample taken | July 2013, by Babette Bechtold, Soprintendenza BB.CC.AA Trapani |
Context Data |
|
| site of discovery |
Lilibeo / Lilybaion Baglio Anselmi 1988 |
| registration code of context | Saggio D, US 46 |
| registration code of object | US 46-2, MR 9940 |
| chronology of context | 300-250 B.C.E. |
Object |
|
| ware |
Coarse Wares Plain Ware |
| object form | Jug |
| object type | Jug Bechtold BR4 |
| chronology of object |
Punic-Late Punic 320-250 B.C.E. |
| fragmentation | profile |
| dimensions | diameter: 5.5cm (base); height: 18cm |
| drawing |
|
| publication | Bechtold and Valente 1990, 43, pl. 2. |
Cite this page as: FACEM - http://facem.at/m-186-2


production
discovery
