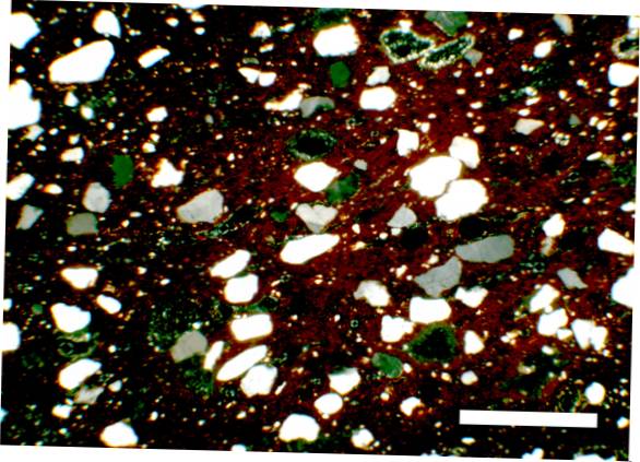
SOL-A-2, M 179/63, scale bar 0.5mm
SOL-A-2, M 179/63, 25x
SOL-A-2, M 179/63, 16x
SOL-A-2, M 179/63, 8x
| object data | fabric description | archaeometry | petrography |
| sample no | M 179/63 |
|---|---|
| fabric type | SOL-A-2 |
| supposed site of production | Solunto / Solus |
| sample taken | May 2013, by Babette Bechtold, Soprintendenza Beni Culturali e Ambientali di Palermo |
Context Data |
|
| site of discovery |
Himera Necropoli E, Royal |
| interpretation of context | funerary |
| registration code of context | RO1493 |
| registration code of object | RO1493 |
| chronology of context | 550-500 BCE |
Object |
|
| ware | Transport Amphorae |
| object form | Amphora |
| object type | Ramon T-1.4.2.1/2 |
| chronology of object |
Punic-Early Punic 550-500 BC |
| fragmentation | rim - base - body |
| dimensions | diameter: 12cm (rim) |
| drawing |
|
| publication | Bechtold and Vassallo 2018, 119, cat. 84. |
Cite this page as: FACEM - http://facem.at/m-179-63


production
discovery
