FACEM
Provenance Studies on Ancient Pottery in the Mediterranean
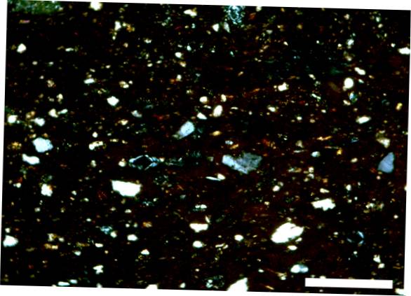
HIM-C-1, M 111/13, scale bar 0.2mm
HIM-C-1, M 111/13, scale bar 0.5mm
HIM-C-1, M 111/13, 25x
HIM-C-1, M 111/13, 16x
HIM-C-1, M 111/13, 8x
| | object data | | fabric description | | archaeometry | | petrography | | |
| sample no |
M 111/13
representative sample for HIM-C-1 |
| fabric type |
HIM-C-1
|
| supposed site of production |
Himera |
| fabric previously published as |
HIM-REG-C-1 |
| sample taken |
September 29, 2009, by Stefano Vassallo, Soprintendenza Beni Culturali e Ambientali di Palermo |
| |
Context Data
|
| site of discovery |
Himera Necropolis Ovest |
| registration code of context |
W2008 |
| registration code of object |
W2008 |
| |
Object
|
| ware |
Coarse Wares |
| object form |
Bowl |
| object type |
banded bowl |
| surface description |
smoothed reddish yellow, 7.5YR7/6 |
| photo |
|
| | object data | | fabric description | | archaeometry | | petrography | | |
| |
Visual Examination of Fresh Break
|
| visual examination of fresh break |
reddish yellow, core: pinkish gray, granular |
| colour of fresh break |
7.5YR6/6, core: 7.5YR6/2 |
| texture of fresh break |
granular |
| hardness |
hard |
| |
Observation Under the Binocular Stereoscope
(all lengths in mm)
|
| porosity |
15%; void form: channel;vughy; void length: 0.04-1 |
| inclusions |
5%, length: 0.02-0.5 |
| sorting |
unsorted |
| |
Inclusions
(all lengths in mm)
|
|
black iron oxide concretions |
infrequent, rounded, spherical, brownish black, 0.03-0.09 |
|
calciumcarbonate |
infrequent, rounded, spherical, yellowish white, 0.06-0.15 |
|
carbonate pseudomorphoses |
very frequent, rounded, spherical, white, 0.03-0.09 |
|
mica |
frequent, angular, spherical, white, 0.03 |
|
quartz |
infrequent, angular, spherical, clear;white, 0.2-0.6 |
|
red iron oxide concretions |
infrequent, rounded, spherical, reddish brown;reddish brown, o,06-0.15 |
| | object data | | fabric description | | archaeometry | | petrography | | |
| applied method for sample analysis |
thin section |
| analysis author |
Montana/Randazzo |
| | object data | | fabric description | | archaeometry | | petrography | | |
| sample number |
M 111/13 |
| inventory number |
W1323 |
| name of author |
Giuseppe Montana - Luciana Randazzo |
| institution of author |
Department of Earth and Marine Sciences (DiSTeM) - University of Palermo |
| contact information of author |
giuseppe.montana@unipa.it; luciana.randazzo@unipa.it |
| |
Temper Grains
|
| |
Microstructure
|
| areal distribution |
moderately homogeneous |
| packing (% area) |
medium (10-20%) |
| size/granulometry (mm) |
prevalent:
very fine (0.04-0.1mm)
sporadic:
fine (0.1-0.2mm)
rare:
medium (0.2-0.5mm)
|
| maximum grain size (mm) |
0.3 |
| sorting |
scarce-serial |
| roundness |
angular |
| |
Composition
|
| minerals |
prevalent: Monocrystalline Quartz
common: Polycrystalline Quartz
sporadic: Orthoclase, Muscovite
rare: Plagioclase
|
| other compositional/textural features |
common: Micritic Clots
|
| quartz grains |
angular |
| |
Groundmass
|
| |
Texture
|
| texture |
moderately homogeneous patchy: sporadic |
| optical activity |
inactive |
| degree of sintering |
well sintered |
| |
Porosity
|
| voids/pores abundance (area) |
low (<10%) |
| voids/pores size |
prevalent: tiny (<0.01mm), small (0.01-0.1mm), medium (0.1-1mm)
|
| voids/pores orientation |
partial |
| voids/pores shape |
prevalent: irregular, cast
|
| |
Newly Formed Phases
|
| newly formed phases |
sporadic: secondary calcite
|
| |
Estimations from Microscopy/Interpretation
|
| |
Interpretation
|
| firing temperature |
well fired |
| refinement of raw clay |
acceptable |
| refinement of temper/clasts |
sieved natural sand |
| modelling technique/fabrication |
use of wheel |
Cite this page as: FACEM - http://facem.at/him-c-1